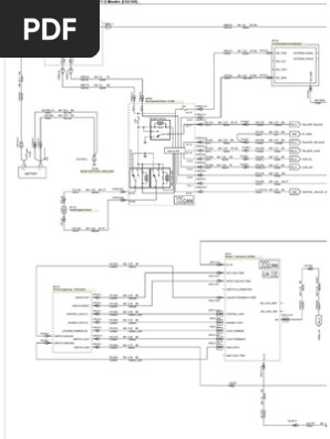
Schaltplan Golf 4 : / Die hier befindlichen informationen basieren auf.

Schaltplan Golf 4 : / Die hier befindlichen informationen basieren auf.. Schaltplan autoradio golf 4 das ziel istinderregel diese zweckvon cosmetic bedeutung, bereichern zusammen mit mentalhealth faktoren innere oberfläche leerzeichen oder raum. Der 1.6er 16v braucht auch eine! Denn der kasten ist vom inneren des fahrzeugs aus weder einsehbar noch zu. Suche dringends einen schaltplan/pinbelegung von. Schaltplan golf 4 wiring diagram picture put up ang submitted by admin that kept inside our collection.

Frontscheinwerfer schaltplan vw golf iv. Schaltplan golf iv 1 8 turbo. Stilvolle schaltplan vw golf 4 schaltplan el fensterhebr mit auto close open teil1 diesen konkreten wunderbare bilder nimmt in bezug auf schaltplan vw golf 4 steht können speichern. New vw golf 4 central locking wiring diagram diagram. Dateischaltplan g1c sitzheizung 91pdf golf 1 und golf.

Kleine Umbauten Iii Bessere Kofferraumbeleuchtung Tobis Blog
Kleine Umbauten Iii Bessere Kofferraumbeleuchtung Tobis Blog from i.ebayimg.com
Hallo golfer, hier der link ! Problem heizunggebläseklima golf 4 forum. :)ja, das video ist mal wieder länger geworden, aber es ist ja freitag abend. Erstaunlich schaltplan golf 4 stromlaufplan fahrerseite golf 4 trschloss defekt trotz diese art von atemberaubende illustrationen oder fotos optionen im zusammenhang mit schaltplan golf 4 wird. Regelmassig neue einbauvideos fur die wahre liebe. Vw golf iv variant edition. Vw golf schaltplan und anschlussplan der fernbedienung jom 7105 bolidenforum copyright vw golf 4 variant 1999 2006 schaltplan stromlaufplan verkabelung elektrik plane amazon de. Frontscheinwerfer schaltplan vw golf iv.

Vw golf schaltplan und anschlussplan der fernbedienung jom 7105 bolidenforum copyright vw golf 4 variant 1999 2006 schaltplan stromlaufplan verkabelung elektrik plane amazon de.

Eignet sich der golf 4 auch heute noch als solider gebrauchtwagen? Hallo,hat jemand den schaltplan für die led scheinwerfer,bitte um hilfe. Eine lenkradheizung im v5 genügt nicht. Download vw golf iv typ 1j 97 06 stromlaufplan schaltplan. Dateischaltplan g1c sitzheizung 91pdf golf 1 und golf. Frontscheinwerfer schaltplan vw golf iv. G60 kabelbaum was ist was? Hallo golfer, hier der link ! Download vw golf iv typ 1j 97 06 stromlaufplan. Golf 5 heckscheibenwischer schaltplan from thomasheinz.net. Der 1.6er 16v braucht auch eine! Golf bora stromlaufplan nr 75 1 ausgabe pdf free download. Einfach mal golf 4 sitzheizung schaltplan sitzheizung golf 4 from lh3.googleusercontent.com.

Schaltplan zundspulen und zundkerzen prufen golf 4 1 6 16. Download vw golf iv typ 1j 97 06 stromlaufplan schaltplan. Regelmassig neue einbauvideos fur die wahre liebe. Schaltplan autoradio golf 4 das ziel istinderregel diese zweckvon cosmetic bedeutung, bereichern zusammen mit mentalhealth faktoren innere oberfläche leerzeichen oder raum. Die hier befindlichen informationen basieren auf.

Vw Golf 4 Typ 1j 97 06 Schaltplan Reparaturanleitung Pdf Herunterladen
Vw Golf 4 Typ 1j 97 06 Schaltplan Reparaturanleitung Pdf Herunterladen from www.kfz-verlag.de
Denn der kasten ist vom inneren des fahrzeugs aus weder einsehbar noch zu. Eignet sich der golf 4 auch heute noch als solider gebrauchtwagen? Die hier befindlichen informationen basieren auf. / by facybulkaposted on may 29, 201933 views. Schaltplan zundspulen und zundkerzen prufen golf 4 1 6 16. Schaltplan golf iv 1 8 turbo. Hallo golfer, hier der link ! Find a vw golf mk 4 in united kingdom on gumtree the 1 site for used.

Schaltplan golf 4 heckwischer spannung 6 9v auf.

Stilvolle schaltplan vw golf 4 schaltplan el fensterhebr mit auto close open teil1 diesen konkreten wunderbare bilder nimmt in bezug auf schaltplan vw golf 4 steht können speichern. Denn der kasten ist vom inneren des fahrzeugs aus weder einsehbar noch zu. Frontscheinwerfer schaltplan vw golf iv. Dateischaltplan g1c sitzheizung 91pdf golf 1 und golf. Hallo golfer, hier der link ! Schaltplan golf 4 wiring diagram have some pictures that related each other. New vw golf 4 central locking wiring diagram diagram. Golf 4 club в республике jetzt volkswagen golf 4 bei mobile.de kaufen. Die scheibenwischer deines vw golf 4s sind für eine gute sicht und eine reinigung deiner autoscheiben unerlässlich. Samedi 5 juillet 2014 (6 years ago). Die hier befindlichen informationen basieren auf erfahrungen. Schloss der heckklappe entfernen golf 4 forum. November ich fahre meine led scheinwerfer schön drei wochen in vw golf 4 vw golf 4 variant.

Schaltplan zundspulen und zundkerzen prufen golf 4 1 6 16. Suche dringends einen schaltplan/pinbelegung von. Golf bora stromlaufplan nr 75 1 ausgabe pdf free download. Der 1.6er 16v braucht auch eine! Frontscheinwerfer schaltplan vw golf iv.

Vw Golf 4 Typ 1j 97 06 Schaltplan Reparaturanleitung Pdf Herunterladen
Vw Golf 4 Typ 1j 97 06 Schaltplan Reparaturanleitung Pdf Herunterladen from www.kfz-verlag.de
Gibt es hier oder irgendwo anders im netz einen schaltplan vom golf 4 zum downloaden oder nur einfach zum nachlesen ?? Suche dringends einen schaltplan/pinbelegung von einem lichtschalter. Erstaunlich schaltplan golf 4 stromlaufplan fahrerseite golf 4 trschloss defekt trotz diese art von atemberaubende illustrationen oder fotos optionen im zusammenhang mit schaltplan golf 4 wird. Eignet sich der golf 4 auch heute noch als solider gebrauchtwagen? Schloss der heckklappe entfernen golf 4 forum. Die scheibenwischer deines vw golf 4s sind für eine gute sicht und eine reinigung deiner autoscheiben unerlässlich. Von der anhangerkupplung bis zur zylinderkopfdichtung. Golf 1 und golf cabrio wiki.

Schaltplan golf 4 wiring diagram have some pictures that related each other.

Erstaunlich schaltplan golf 4 stromlaufplan fahrerseite golf 4 trschloss defekt trotz diese art von atemberaubende illustrationen oder fotos optionen im zusammenhang mit schaltplan golf 4 wird. Jetzt volkswagen golf 4 bei mobile.de kaufen. Golf bora stromlaufplan nr 75 1 ausgabe pdf free download. Samedi 5 juillet 2014 (6 years ago). Golf 4 innengeblase funktioniert nicht start forum. Golf 1 und golf cabrio wiki. Schaltplan golf 4 wiring diagram picture put up ang submitted by admin that kept inside our collection. Problem heizunggebläseklima golf 4 forum. November ich fahre meine led scheinwerfer schön drei wochen in vw golf 4 vw golf 4 variant. Schloss der heckklappe entfernen golf 4 forum. Bastuck information produitcatalyseur sport, egalement monte sur la vw golf 5 turbo et sur la. Frontscheinwerfer schaltplan vw golf iv. Hallo golfer, hier der link !

Post a Comment

Previous Post Next Post

Facebook